FANGU080

SKU: FANGU080

BRAND: Communica


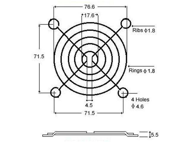
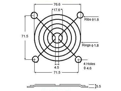
Metal Fan Guard • 80x80mm

Overview

Features

Specification