IR2011

SKU: IR2011

BRAND: IOR


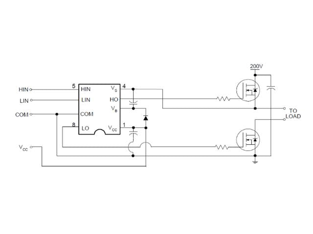
High and Low Side Driver Mosfet Voffset = 200V Gate Drive 10-20V 3.3V and 5V Logic Compatible 8P Dip

Downloads

Additional Information

Device IC
Industry Standard Part Number IR2011
Notes (50 / Tube) Applications : Converters + DC motor drive.