KTSC62 BLACK

SKU: KTSC62 BLACK

BRAND: Diptronics


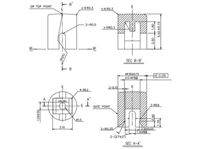
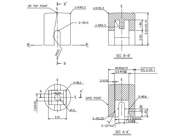
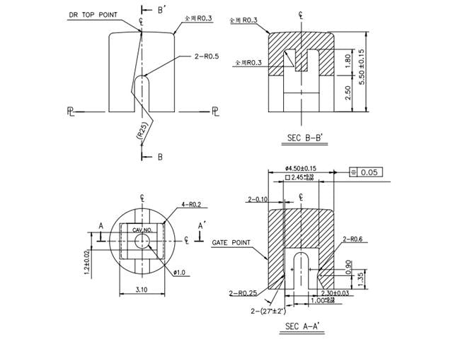
Round Tactile Black Switch Cap for DTS644/DTSM644 Only

Black Round Cap

Additional Information

Group Switch Accessory
Device Cap
Type Round
Highlights for DTS(M)644
Color Black